特点:
• 安装高度低,综合精度高
• 长期稳定性好
• 采用优质合金钢,表面镀镍
• 可提供防爆传感器
• 适用于地上衡与各种配料称重控制
技术指标 | |||||
额定容量 | t | 0.3, 0.5, 1, 2 | 3 | 5 | |
灵敏度 | mV/V | 2±0.002 | |||
精度等级 | C3 | ||||
重复性误差 | %R.C. | ≤0.010 | |||
滞后 | %R.C. | ≤0.02 | |||
非线性 | %R.C. | ≤0.02 | |||
蠕变(30分钟) | %R.C. | ≤0.02 | |||
零点输出 | %R.C. | ≤1 | |||
温度补偿范围 | ºC | -10~+40 | |||
使用温度范围 | ºC | -40~+65 | |||
灵敏度温度系数 | %R.C./ºC | ≤0.002 | |||
零点温度系数 | %R.C./ºC | ≤0.002 | |||
输入阻抗 | Ω | 381±4 | |||
输出阻抗 | Ω | 350±1 | |||
绝缘电阻 | MΩ | ≥5000(50V DC) | |||
建议激励电压 | V(DC/AC) | 5~15 | |||
最大激励电压 | V(DC/AC) | 20 | |||
安全过载 | %R.C. | 150 | |||
极限过载 | %R.C. | 300 | |||
防护等级 | IP67 | ||||
电缆长度 | m | 4 | 5 | ||
推荐螺栓 | 尺寸 | M12 | M14 | M18 | |
强度等级 | 10.9级或以上 | ||||
拧紧力矩 | N | 98 | 160 | 275 | |
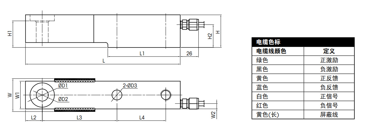
外形尺寸(mm)
SBT传感器安装尺寸
额定容量(t) | 尺寸 (mm) | |||||||||||||
D1 | D2 | D3 | H | H1 | H2 | L | L1 | L2 | L3 | L4 | W | W1 | W2 | |
0.3-2 | 31.7 | 15.8 | 13 | 43 | 35 | 24.75 | 203 | 95 | 22 | 98 | 64 | 43.5 | 36.5 | 7 |
3 | 31.7 | 15.8 | 15 | 43 | 35 | 24.75 | 203 | 95 | 22 | 98 | 64 | 43.5 | 36.5 | 6.5 |
5 | 38 | 22.2 | 20 | 52 | 39.7 | 28.2 | 235 | 110 | 22 | 124 | 66 | 54.5 | 47.8 | 8 |
SBT传感器订货信息
物料号 | 型号说明 |
182707 | 称重传感器 SBT-300kg 4m CN |
108560 | 称重传感器 SBT-500kg 4m CN |
108556 | 称重传感器 SBT-1t 4m CN |
108557 | 称重传感器 SBT-2t 4m CN |
108558 | 称重传感器 SBT-3t 4m CN |
108559 | 称重传感器 SBT-5t 5m CN |
SBT防爆传感器订货信息
物料号 | 型号说明 |
72203103 | 称重传感器 SBT-300kg 4m CN Ex |
72203104 | 称重传感器 SBT-500kg 4m CN Ex |
72203105 | 称重传感器 SBT-1t 4m CN Ex |
72203106 | 称重传感器 SBT-2t 4m CN Ex |
72203107 | 称重传感器 SBT-3t 4m CN Ex |
72203108 | 称重传感器 SBT-5t 5m CN Ex |

| 物料号 | 型号说明 |
| 71202169 | 连接件 SPT-0.3-3 |
| 71202170 | 连接件 SPT-5 |