特点:
• 结构紧凑,安装方便
• 设计合理可靠,可保证传感器的 使用精度

连接件SPC 0.5-3 ,SPC-5
适用于SLB415 0745A HLJ SLB615D
连接件型号 | 尺寸/mm | ||||||
K | K1 | K2 | K3 | D | D1 | D2 | |
SPC 0.25-3 | 47.8 | 4.2 | 19.0 | (61) | 19.0 | 15.2 | 38.0 |
SPC-5 | 54.4 | 6.0 | 20.5 | 68.0 | 34.7 | 21.5 | 44.5 |
说明:
• SLB415 0745A SLB615D: 110kg-2200kg选用SPC0.25-3; 4400kg选用SPC-5
• HLJ :25kg-3000kg选用SPC0.25-3 ;5000kg选用SPC-5
连接件 0745A-EK 2.2t ,0745A-EK 4.4t
适用于SLB415 0745A HLJ SLB615D
容量(t) | 尺寸/mm | |||||||
L | L1 | L2 | L3 | H | H1 | H2 | H3 | |
0.22-1.1 | Ø50 | 34 | M8 | Ø15 | 59.6 | 47.1 | 24 | 14 |
2.2 | Ø50 | 34 | M8 | Ø15 | 63.5 | 52.3 | 24 | 14 |
4.4 | Ø60 | 45 | M10 | Ø21.5 | 73.6 | 62.4 | 28 | 17 |

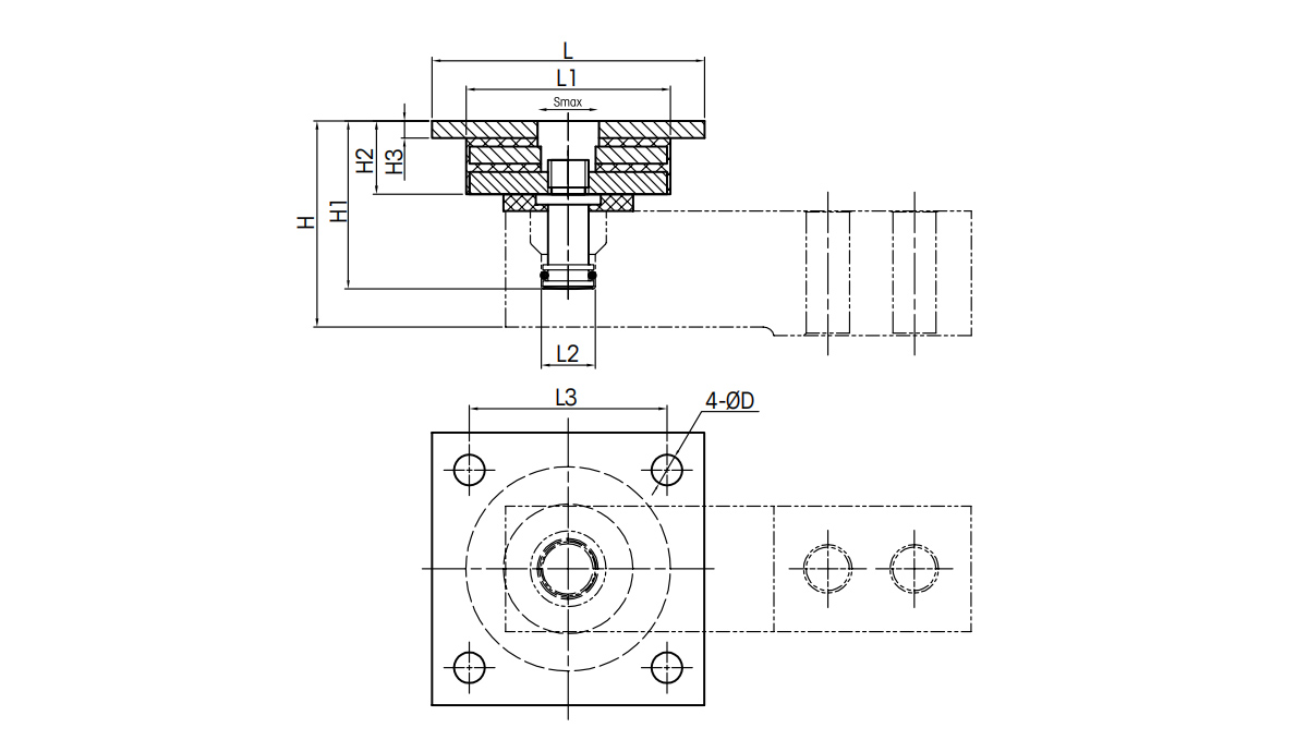
适用于SLB415 0745A HLJ SLB615D
容量(t) | 尺寸/mm | |||||||||
D | L | L1 | L2 | L3 | H | H1 | H2 | H3 | Smax* | |
0.22-1.1 | Ø9 | 80 | Ø58 | Ø15 | 58 | 56.6 | 44.1 | 21.5 | 5 | ±3 |
2.2 | Ø9 | 80 | Ø58 | Ø15 | 58 | 60.5 | 49.3 | 21.5 | 5 | ±3 |
4.4 | Ø11 | 100 | Ø72 | Ø21.5 | 76 | 75.6 | 64.4 | 30 | 10 | ±3 |
*最大侧向位移
连接件0745A-FK 2.2t ,0745A-FK 4.4t
适用于SLB415 0745A HLJ SLB615D
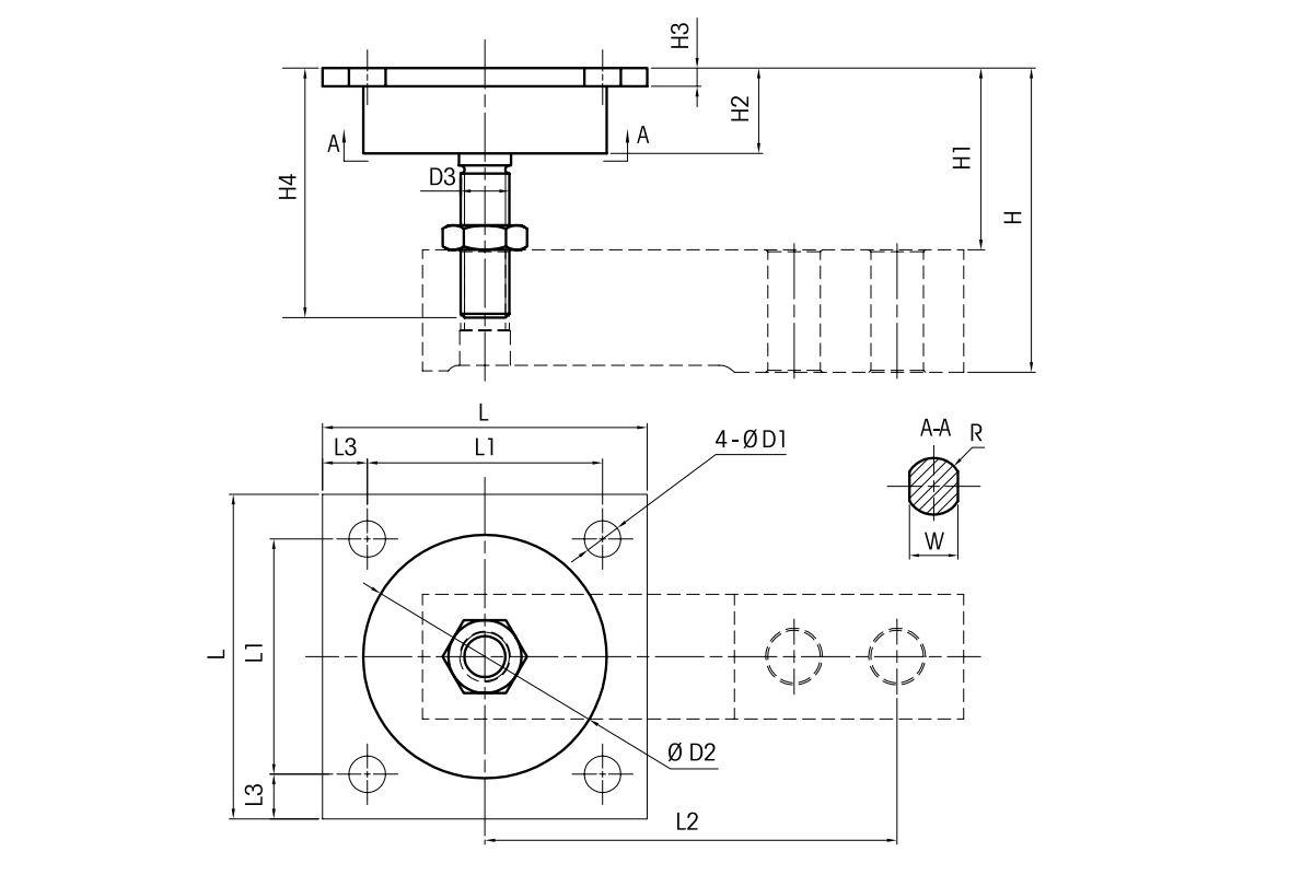
连接件组件 SLB215-FT
连接件 SLB215-EVK
容量(t) | 尺寸/mm | |||||||||||||||
D1 | D2 | D3 | H | H1 | H2 | H3 | H4 | L | L1 | L2 | L3 | R | W | |||
min | max | min | max | |||||||||||||
0.22-1.1 | Ø9 | Ø60 | M12 | 63 | 75 | 32.8 | 44.8 | 21.5 | 4.5 | 61.5 | 80 | 58 | 101.6 | 11 | 7.5 | 12.8 |
2.2 | Ø9 | Ø60 | M12 | 69.4 | 81.4 | 32.8 | 44.8 | 21.5 | 4.5 | 61.5 | 80 | 58 | 101.6 | 11 | 7.5 | 12.8 |
4.4 | Ø11 | Ø72 | M20 | 91 | 110 | 48.1 | 67.1 | 29.5 | 9.5 | 87.5 | 100 | 76 | 133.4 | 12 | 10 | 20.8 |
连接件订货信息
| 物料号 | 型号说明 |
| 71202172 | 连接件SPC-0.25-3 |
| 71209714 | 连接件SPC-5 |
| 30110998 | 连接件0745A-EK 2.2t CN |
| 30110999 | 连接件0745A-EK 4.4t CN |
| 30111020 | 连接件0745A-EVK 2.2t CN |
| 30111021 | 连接件0745A-EVK 4.4t CN |
| 30111022 | 连接件0745A-FK 2.2t CN |
| 30111023 | 连接件0745A-FK 4.4t CN |
| 30104778 | 连接件SLB215-EVK 2.2t CN |
| 30104779 | 连接件SLB215-EVK 4.4t CN |
| 30104780 | 连接件SLB215-FT 2.2t CN |
| 30104781 | 连接件SLB215-FT 4.4t CN |