特点:
• 不锈钢材质,结构紧凑,安装高 度低
• 焊接密封,防护等级IP68
• 主要用于混凝土搅拌站等建筑材
• 针对特殊的应用环境,如化工行 业,可选采用特殊表面处理工艺 SAC规格的产品
技术指标 | |||||||||
型号 | HLJ | ||||||||
额定容量 | kg | 250 | 500 | 1000 | 2000 | 3000 | 5000 | ||
灵敏度 | mV/V | 2±0.002 | |||||||
精度等级 | C3 | ||||||||
重复性误差 | %A.L. | ≤ 0.01 | |||||||
滞后 | %R.C. | ≤ 0.018 | |||||||
非线性 | %R.C. | ≤ 0.018 | |||||||
蠕变(30分钟) | %A.L. | ≤ 0.0167 | |||||||
零点输出 | %R.C. | ≤ 1.0 | |||||||
温度补偿范围 | ºC | -10~+40 | |||||||
使用温度范围 | ºC | -40~+65 | |||||||
灵敏度温度系数 | %A.L./ºC | ≤ 0.0009 | |||||||
零点温度系数 | %R.C./ºC | ≤ 0.0023 | |||||||
输入阻抗 | Ω | 382±4 | |||||||
输出阻抗 | Ω | 350±1 | |||||||
绝缘电阻 | MΩ | ≥5000 | |||||||
建议激励电压 | V(DC/AC) | DC 5~15 | |||||||
最大激励电压 | V(DC/AC) | 20 | |||||||
安全过载 | %R.C. | 150% | |||||||
极限过载 | %R.C. | 300% | |||||||
防护等级 | IP68 | ||||||||
电缆长度 | m | 6 | |||||||
推荐螺栓 | 尺寸 | M12 | M14 | M18 | |||||
强度等级 | A2-70/10.9级以上 | ||||||||
拧紧力矩 | 98 | 140 | 275 | ||||||
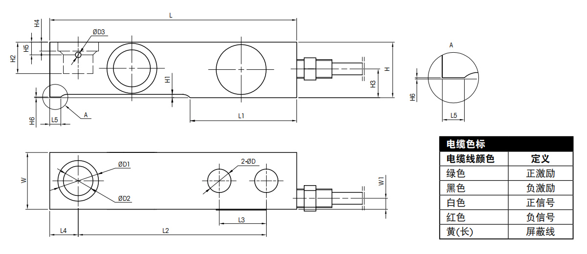
外形尺寸(mm)
额定容量 (t) | 尺寸 (mm) | ||||||||||||||||||
D | D1 | D2 | D3 | H | H1 | H2 | H3 | H4 | H5 | H6 | L | L1 | L2 | L3 | L4 | L5 | W | W1 | |
0.25, 0.5, 1 | 12.7 | 22 | 15.9 | 3.1 | 30 | 1.9 | 17 | 15.9 | 4.7 | 7.7 | 0.38 | 133.4 | 57.6 | 101.6 | 25.4 | 15.4 | 6.4 | 30.7 | 5.2 |
2 | 12.7 | 22 | 15.9 | 3.1 | 36.6 | 2.8 | 23 | 19.6 | 9.5 | 11.7 | 0.82 | 136.7 | 57.9 | 101.6 | 25.4 | 18.4 | 6.4 | 36.8 | 6 |
3 | 15 | 22 | 15.9 | - | 36.6 | 1.2 | 23 | 19.6 | 9.5 | 11.7 | - | 139.7 | 57.9 | 104.6 | 25.4 | 18.4 | - | 39 | 6 |
5 | 19 | 34.9 | 22.2 | 3.1 | 43 | 2 | 29.4 | 22.5 | 11 | 11.7 | - | 171.5 | 73.8 | 133.3 | 38.1 | 21.5 | - | 42.9 | 6 |
HLJ称重传感器订货信息
| 物料号 | 产品描述 | 规格 |
| 72217731 | 称重传感器 HLJ-250kg 6m CN | HLJ-0.25 |
| 72217732 | 称重传感器 HLJ-500kg 6m CN | HLJ-0.5 |
| 72217733 | 称重传感器 HLJ-1t 6m CN | HLJ-1 |
| 72217734 | 称重传感器 HLJ-2t 6m CN | HLJ-2 |
| 72217735 | 称重传感器 HLJ-3t 6m CN | HLJ-3 |
| 72217736 | 称重传感器 HLJ-5t 6m CN | HLJ-5 |
| 30220682 | 称重传感器 HLJ-250kg 6m SAC CN | HLJ-0.25 SAC |
| 30220683 | 称重传感器 HLJ-500kg 6m SAC CN | HLJ-0.5 SAC |
| 30220684 | 称重传感器 HLJ-1t 6m SAC CN | HLJ-1 SAC |
| 30220685 | 称重传感器 HLJ-2t 6m SAC CN | HLJ-2 SAC |
| 30220686 | 称重传感器 HLJ-3t 6m SAC CN | HLJ-3 SAC |
| 30220687 | 称重传感器 HLJ-5t 6m SAC CN | HLJ-5 SAC |
称重传感器HLJ配套连接件订货信息
物料号 | 产品描述 | 规格 | 说明 |
71202172 | 称重传感器连接件 SPC-0.25-3t | SPC-0.25-3t | 适用于HLJ-3t以下容量 |
71209714 | 称重传感器连接件 SPC-5t | SPC-5t | 适用于HLJ-5t |
30111022 | 称重传感器连接件0745-FK-2.2t CN | 0745A-FK-2.2 | 适用于HLJ-3t以下容量 |
30111023 | 称重传感器连接件0745-FK-4.4t CN | 0745A-FK-4.4 | 适用于HLJ-5t |