特点:
• 安装高度低,综合精度高
• 长期稳定性好
• 采用优质合金钢,表面镀镍
• 可提供防爆传感器
• 适用于地上衡与各种配料称重控制
技术指标 | ||||
额定容量 | t | 0.3, 0.5, 1, 2 | 3 | |
灵敏度 | mV/V | 2±0.002 | ||
精度等级 | C3 | |||
重复性误差 | %R.C. | ≤0.010 | ||
滞后 | %R.C. | ≤0.02 | ||
非线性 | %R.C. | ≤0.02 | ||
蠕变(30分钟) | %R.C. | ≤0.02 | ||
零点输出 | %R.C. | ≤1 | ||
温度补偿范围 | ºC | -10~+40 | ||
使用温度范围 | ºC | -40~+65 | ||
灵敏度温度系数 | %R.C./ºC | ≤0.002 | ||
零点温度系数 | %R.C./ºC | ≤0.002 | ||
输入阻抗 | Ω | 381±4 | ||
输出阻抗 | Ω | 350±1 | ||
绝缘电阻 | MΩ | ≥5000(50V DC) | ||
建议激励电压 | V(DC/AC) | 5~15 | ||
最大激励电压 | V(DC/AC) | 20 | ||
安全过载 | %R.C. | 150 | ||
极限过载 | %R.C. | 300 | ||
防护等级 | IP67 | |||
电缆长度 | m | 4 | ||
推荐螺栓 | 尺寸 | M12 | M14 | |
强度等级 | 10.9级或以上 | |||
拧紧力矩 | N | 98 | 160 | |
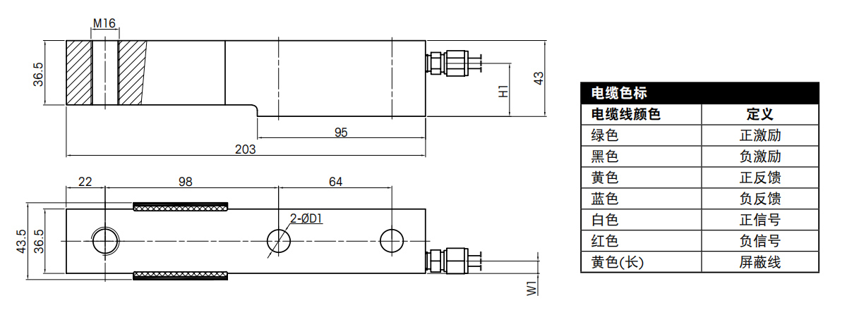
外形尺寸(mm)
SBS传感器安装尺寸
额定容量(t) | 尺寸 (mm) | ||
D1 | H1 | W1 | |
0.3-0.5 | 13 | 26.75 | 7 |
1-2 | 13 | 24.75 | 7 |
3 | 15 | 24.75 | 6.5 |
SBS传感器订货信息
物料号 | 型号说明 |
148601 | 称重传感器 SBS-300kg 4m CN |
116465 | 称重传感器 SBS-500kg 4m CN |
116466 | 称重传感器 SBS-1t 4m CN |
116467 | 称重传感器 SBS-2t 4m CN |
116480 | 称重传感器 SBS-3t 4m CN |
SBS防爆传感器订货信息
物料号 | 型号说明 |
72203109 | 称重传感器 SBS-300kg 4m CN Ex |
72203110 | 称重传感器 SBS-500kg 4m CN Ex |
72203111 | 称重传感器 SBS-1t 4m CN Ex |
72203112 | 称重传感器 SBS-2t 4m CN Ex |
72203113 | 称重传感器 SBS-3t 4m CN Ex |
连接件订货信息
物料号 | 型号说明 |
71202171 | 连接件 SPS-0.3-3 |