特点:
• 安装高度低,综合精度高
• 长期稳定性好
• 采用优质合金钢,0.3t~5t表面镀镍
• 可提供防爆传感器
• 适用于地上衡,汽车衡,轨道衡 与各种配料称重控制
技术指标 | |||||||
额定容量 | t | 0.3, 0.5, 1, 2 | 3 | 5 | 10 | 15, 20 | |
灵敏度 | mV/V | 2±0.002 | |||||
精度等级 | C3 | ||||||
重复性误差 | %R.C. | ≤0.010 | |||||
滞后 | %R.C. | ≤0.02 | |||||
非线性 | %R.C. | ≤0.02 | |||||
蠕变(30分钟) | %R.C. | ≤0.02 | |||||
零点输出 | %R.C. | ≤1 | |||||
温度补偿范围 | ºC | -10~+40 | |||||
使用温度范围 | ºC | -40~+65 | |||||
灵敏度温度系数 | %R.C./ºC | ≤0.002 | |||||
零点温度系数 | %R.C./ºC | ≤0.002 | |||||
输入阻抗 | Ω | 381±4 | |||||
输出阻抗 | Ω | 350±1 | |||||
绝缘电阻 | MΩ | ≥5000(50V DC) | |||||
建议激励电压 | V(DC/AC) | 5~15 | |||||
最大激励电压 | V(DC/AC) | 20 | |||||
安全过载 | %R.C. | 150 | |||||
极限过载 | %R.C. | 300 | |||||
防护等级 | IP67 | ||||||
电缆长度 | m | 4 | 5 | 6 | 10 | ||
推荐螺栓 | 尺寸 | M12 | M14 | M18 | M27 | M30 | |
强度等级 | 10.9级或以上 | ||||||
拧紧力矩 | N | 98 | 160 | 275 | 1255 | 1700 | |
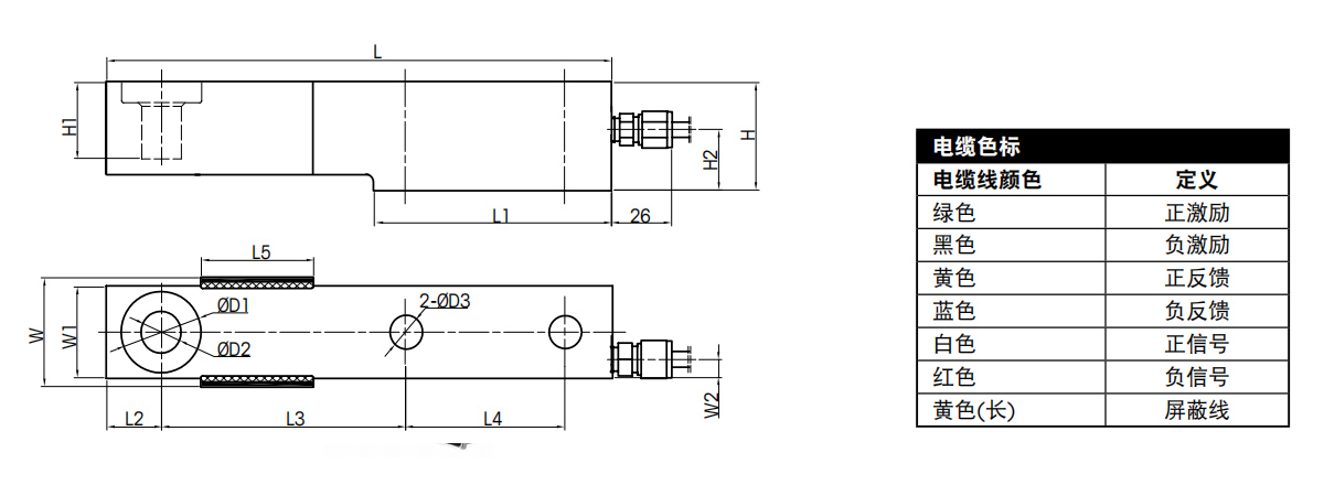
外形尺寸(mm)
SB传感器安装尺寸
额定容量(t) | 尺寸 (mm) | ||||||||||||||
D1 | D2 | D3 | H | H1 | H2 | L | L1 | L2 | L3 | L4 | L5 | W | W1 | W2 | |
0.3-2 | 31.7 | 15.8 | 13 | 43 | 30.4 | 24.75 | 203 | 95 | 22 | 98 | 64 | 50 | 43.5 | 36.5 | 7 |
3 | 31.7 | 15.8 | 15 | 43 | 30.4 | 24.75 | 203 | 95 | 22 | 98 | 64 | 50 | 43.5 | 36.5 | 6.5 |
5 | 38 | 22.2 | 20 | 52 | 30 | 28.2 | 235 | 110 | 22 | 124 | 66 | 57 | 54.5 | 47.5 | 8 |
10 | 47.7 | 32 | 28 | 67 | 20 | 37 | 279 | 133 | 32 | 140 | 82.5 | 76 | 60 | 66 | 8 |
15, 20 | 54 | 38 | 34 | 82.5 | 24 | 47.5 | 318 | 153 | 38 | 159 | 89 | Ø64 | 78 | 70 | 9.5 |
SB称重传感器订购信息
| 物料号 | 型号说明 |
| 151621 | 称重传感器 SB-300kg 4m CN |
| 108546 | 称重传感器 SB-500kg 4m CN |
| 72197711 | 称重传感器 SB-500kg 13m CN |
| 108547 | 称重传感器 SB-1t 4m CN |
| 72188984 | 称重传感器 SB-1t 13m CN |
| 108548 | 称重传感器 SB-2t 4m CN |
| 72188985 | 称重传感器 SB-2t 13m CN |
| 138152 | 称重传感器 SB-3t 4m CN |
| 108549 | 称重传感器 SB-5t 5m CN |
| 108550 | 称重传感器 SB-10t 6m CN |
| 114652 | 称重传感器 SB-15t 10m CN |
| 108551 | 称重传感器 SB-20t 10m CN |
SB防爆传感器订购信息
物料号 | 型号说明 |
72203095 | 称重传感器 SB-300kg 4m CN Ex |
72203096 | 称重传感器 SB-500kg 4m CN Ex |
72203097 | 称重传感器 SB-500kg 13m CN Ex |
72203098 | 称重传感器 SB-1t 4m CN Ex |
72203099 | 称重传感器 SB-1t 13m CN Ex |
72203100 | 称重传感器 SB-2t 4m CN Ex |
72203101 | 称重传感器 SB-2t 13m CN Ex |
72203102 | 称重传感器 SB-3t 4m CN Ex |
72203114 | 称重传感器 SB-5t 5m CN Ex |
72203115 | 称重传感器 SB-10t 6m CN Ex |
72203116 | 称重传感器 SB-15t 10m CN Ex |
72203117 | 称重传感器 SB-20t 10m CN Ex |
连接件订货信息
| 物料号 | 型号说明 |
| 71202164 | 连接件 SP-0.3-3 |
| 71202165 | 连接件 SP-5 |
| 71202166 | 连接件 SP-10 |
| 71202167 | 连接件 SP-15-20 |