特点:

• 采用优质合金钢,表面镀镍,激 光焊接密封
• 可提供防爆传感器,防爆标志:Exia IICT4~T6 Ga; EXiaD 20 T85~T135
• 适用于平台秤料灌称重混凝 土玻璃等各种建筑材料配料称 重系统
技术指标 | |||||||
额定容量 | kg | 220 | 550 | 1100 | 2200 | 4400 | |
灵敏度 | mV/V | 1.94±0.002 | |||||
精度等级 | C3 | C1 | |||||
重复性误差 | %R.C. | ≤0.010 | ≤0.020 | ||||
滞后 | %R.C. | ≤0.018 | ≤0.03 | ||||
非线性 | %R.C. | ≤0.018 | ≤0.03 | ||||
蠕变(30分钟) | %R.C. | ≤0.0023 | ≤0.0167 | ||||
零点输出 | %R.C. | ≤1.0 | |||||
温度补偿范围 | ºC | -10~+40 | |||||
使用温度范围 | ºC | -40~+65 | |||||
灵敏度温度系数 | %R.C./ºC | ≤0.0009 | ≤0.002 | ||||
零点温度系数 | %R.C./ºC | ≤0.0023 | |||||
输入阻抗 | Ω | 382±4 | |||||
输出阻抗 | Ω | 350±1 | |||||
绝缘电阻 | MΩ | ≥5000(50V DC) | |||||
建议激励电压 | V(DC/AC) | 5~15 | |||||
最大激励电压 | V(DC/AC) | 20 | |||||
安全过载 | %R.C. | 150 | |||||
极限过载 | %R.C. | 300 | |||||
防护等级 | IP68 | ||||||
电缆长度 | m | 3, 5, 10 | |||||
推荐螺栓 | 尺寸 | M12 | M20 | ||||
强度等级 | 10.9级或以上 | ||||||
拧紧力矩 | N | 98 | 330 | ||||
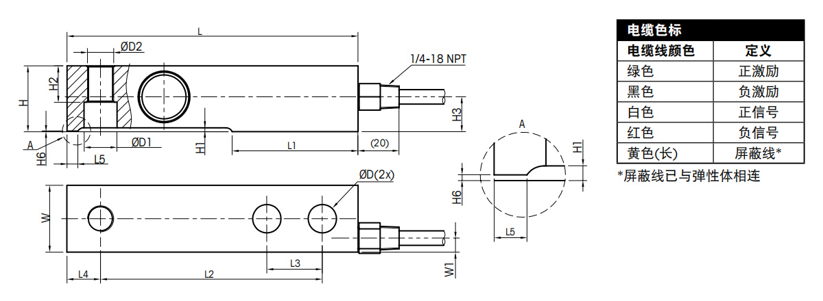
外形尺寸(mm)
SLB215传感器安装尺寸
额定容量(t) | 尺寸/mm | |||||||||||||||
D(2x) | D1 | D2 | H | H1 | H2 | H3 | H6 | L | L1 | L2 | L3 | L4 | L5 | W | W1 | |
0.22-1.1 | 13.0 | 12.5 | M12 | 30.2 | 1.8 | 20 | 16.0 | 0.48 | 133.4 | 56.5 | 101.6 | 25.4 | 15.4 | 6.4 | 30.7 | 6.5 |
2.2 | 13.0 | 12.5 | M12 | 36.6 | 2.6 | 20 | 19.6 | 2.6 | 136.7 | 55.6 | 101.6 | 25.4 | 18.4 | - | 36.8 | 6.0 |
4.4 | 20.5 | 22.2 | M20 | 42.9 | 2.5 | 20 | 22.7 | 2.5 | 171.5 | 73.8 | 133.4 | 38.1 | 21.4 | - | 42.9 | 6.0 |
SLB215称重传感常用型号订购信息
物料号 | 型号说明 |
72258649 | 称重传感器 SLB215-220kg 5m CN |
72258651 | 称重传感器 SLB215-220kg 3m CN |
72258653 | 称重传感器 SLB215-220kg 10m CN |
72258655 | 称重传感器 SLB215-550kg 5m CN |
72258657 | 称重传感器 SLB215-550kg 3m CN |
72258659 | 称重传感器 SLB215-550kg 10m CN |
72258692 | 称重传感器 SLB215-1.1t 5m CN |
72258694 | 称重传感器 SLB215-1.1t 3m CN |
72258696 | 称重传感器 SLB215-1.1t 10m CN |
72258698 | 称重传感器 SLB215-2.2t 5m CN |
72258700 | 称重传感器 SLB215-2.2t 3m CN |
72258702 | 称重传感器 SLB215-2.2t 10m CN |
72258709 | 称重传感器 SLB215-4.4t 5m C1 CN |
72258711 | 称重传感器 SLB215-4.4t 3m C1 CN |
72258713 | 称重传感器 SLB215-4.4t 10m C1 CN |
SLB215防爆称重传感器常用型号订购信息
物料号 | 型号说明 |
72262691 | 称重传感器 SLB215-220kg 5m CN Ex |
72262692 | 称重传感器 SLB215-220kg 3m CN Ex |
72262693 | 称重传感器 SLB215-220kg 10m CN Ex |
72262694 | 称重传感器 SLB215-550kg 5m CN Ex |
72262695 | 称重传感器 SLB215-550kg 3m CN Ex |
72262696 | 称重传感器 SLB215-550kg 10m CN Ex |
72262673 | 称重传感器 SLB215-1.1t 5m CN Ex |
72262674 | 称重传感器 SLB215-1.1t 3m CN Ex |
72262675 | 称重传感器 SLB215-1.1t 10m CN Ex |
72262676 | 称重传感器 SLB215-2.2t 5m CN Ex |
72262677 | 称重传感器 SLB215-2.2t 3m CN Ex |
72262678 | 称重传感器 SLB215-2.2t 10m CN Ex |
72262679 | 称重传感器 SLB215-4.4t 5m C1 CN Ex |
72262680 | 称重传感器 SLB215-4.4t 3m C1 CN Ex |
72262681 | 称重传感器 SLB215-4.4t 10m C1 CN Ex |
连接件订货信息
| 物料号 | 型号说明 |
| 30104778 | 连接件 SLB215-EVK 2.2t CN |
| 30104779 | 连接件 SLB215-EVK 4.4t CN |
| 30104780 | 连接件 SLB215-FT 2.2t CN |
| 30104781 | 连接件 SLB215-FT 4.4t CN |