特点:
• 安装高度低,综合精度C3
• 长期稳定性好
• 采用优质合金钢,表面镀镍,激光焊接密封
• 可提供防爆传感器,防爆标志:Ex ia IIC T4~T6 Ga; EX iaD 20 T85~T135
• 适用于平台秤料灌称重混凝土玻璃等各种建筑材料配料称重系统
| 技术指标 | |||||||||
| 额定容量 | kg | 110 | 220 | 550 | 1100 | 2200 | 3000 | 4400 | |
| 灵敏度 | mV/V | 0.97±0.002 | 1.94±0.002 | ||||||
| 精度等级 | C3 | ||||||||
| 重复性误差 | %R.C. | ≤0.010 | |||||||
| 滞后 | %R.C. | ≤0.018 | |||||||
| 非线性 | %R.C. | ≤0.018 | |||||||
| 蠕变(30分钟) | %R.C. | ≤0.0167 | |||||||
| 零点输出 | %R.C. | ≤1.0 | |||||||
| 温度补偿范围 | ºC | -10~+40 | |||||||
| 使用温度范围 | ºC | -40~+65 | |||||||
| 灵敏度温度系数 | %R.C./ºC | ≤0.0009 | |||||||
| 零点温度系数 | %R.C./ºC | ≤0.0023 | |||||||
| 输入阻抗 | Ω | 382±4 | |||||||
| 输出阻抗 | Ω | 350± 1 | |||||||
| 绝缘电阻 | MΩ | ≥5000(50V DC) | |||||||
| 建议激励电压 | V(DC/AC) | 5~15 | |||||||
| 最大激励电压 | V(DC/AC) | 20 | |||||||
| 安全过载 | %R.C. | 150 | |||||||
| 极限过载 | %R.C. | 300 | |||||||
| 防护等级 | IP68 | ||||||||
| 电缆长度 | m | 2, 3, 5, 10 | |||||||
| 尺寸 | M12 | M14 | M18 | ||||||
| 推荐螺栓 | |||||||||
| 强度等级 | 10.9级或以上 | ||||||||
| 拧紧力矩 | N | 98 | 140 | 275 | |||||
m | |||||||||
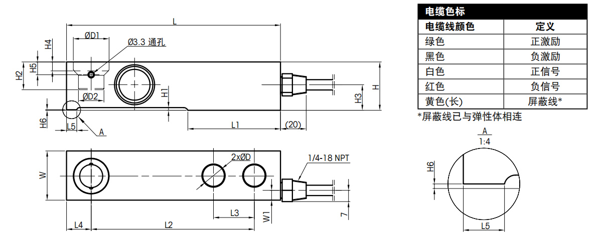
外形尺寸(mm)
SLB415传感器安装尺寸
额定容量(t) | 尺寸/mm | |||||||||||||||||
D | D1 | D2 | H | H1 | H2 | H3 | H4 | H5 | H6 | L | L1 | L2 | L3 | L4 | L5 | W | W1 | |
0.11-1.1 | 13.0 | 22.2 | 15.9 | 30.2 | 1.8 | 17.3 | 16.0 | 4.8 | 7.9 | 0.38 | 133.4 | 57.7 | 101.6 | 25.4 | 15.4 | 6.4 | 30.7 | 6.1 |
2.2 | 13.0 | 22.2 | 15.9 | 36.6 | 6.0 | 22.9 | 19.6 | 9.5 | 12.7 | - | 136.7 | 57.9 | 101.6 | 25.4 | 18.4 | - | 36.8 | 6.1 |
3 | 15.0 | 22.2 | 15.9 | 36.6 | 4.0 | 22.9 | 19.6 | 9.5 | 12.7 | - | 139.7 | 57.9 | 104.6 | 25.4 | 18.4 | - | 39.0 | 6.1 |
4.4 | 19.3 | 34.9 | 22.2 | 42.9 | 4.5 | 29.3 | 22.6 | 10.8 | 17.8 | - | 171.5 | 73.8 | 133.4 | 38.1 | 21.4 | - | 42.9 | 6.1 |
SLB415传感器订货信息
| 物料号 | 型号说明 |
| 30037912 | 称重传感器 SLB415-110kg 3m CN |
| 30037914 | 称重传感器 SLB415-110kg 5m CN |
| 30037918 | 称重传感器 SLB415-220kg 3m CN |
| 30037920 | 称重传感器 SLB415-220kg 5m CN |
| 30037924 | 称重传感器 SLB415-550kg 3m CN |
| 30037926 | 称重传感器 SLB415-550kg 5m CN |
| 30037930 | 称重传感器 SLB415-1.1t 3m CN |
| 30037932 | 称重传感器 SLB415-1.1t 5m CN |
| 30037942 | 称重传感器 SLB415-2.2t 3m CN |
| 30037948 | 称重传感器 SLB415-3t C3 3m CN |
| 30037944 | 称重传感器 SLB415-2.2t 5m CN |
| 30037950 | 称重传感器 SLB415-3t C3 5m CN |
| 30037954 | 称重传感器 SLB415-4.4t 3m CN |
| 30037956 | 称重传感器 SLB415-4.4t 5m CN |
| 30088796 | 称重传感器 SLB415-110kg 10m CN |
| 30088797 | 称重传感器 SLB415-220kg 10m CN |
| 30088798 | 称重传感器 SLB415-550kg 10m CN |
| 30088799 | 称重传感器 SLB415-1.1t 10m CN |
| 30088800 | 称重传感器 SLB415-2.2t 10m CN |
| 30088801 | 称重传感器 SLB415-3t C3 5m CN |
| 30088802 | 称重传感器 SLB415-4.4t 10m CN |

| 物料号 | 型号说明 |
| 71202172 | 连接件 SPC 0.25-3 |
| 71209714 | 连接件 SPC-5 |